Features
Ultra stability
Wide operating Temp.
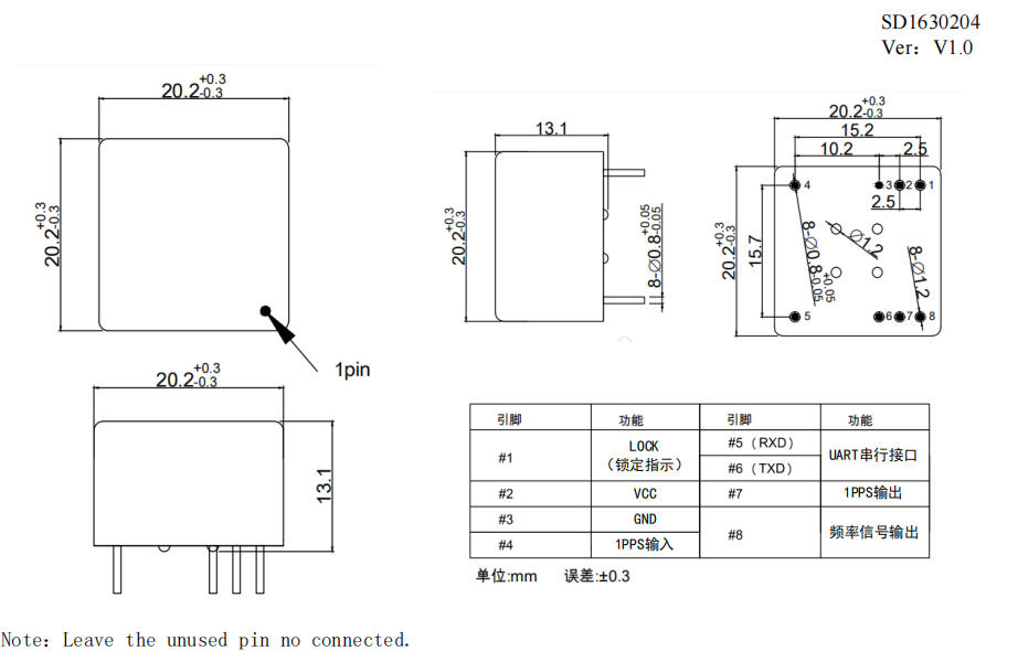
DIP 20.2x20.2mm
Wireless communication system
Instruments
SATCOM
time synchronization
| Parameter | Value | Unit | Conditions | ||||
| Min. | Typ. | Max. | |||||
| Supply Voltage | - | 5.0 | - | V | Vcc±5% | ||
| Start-up Current | - | - | 650 | mA | |||
| Steady Current | - | - | 300 | mA | |||
| Frequency Range | 10~122.88 | MHz | |||||
| Nominal Frequency | 10,40,100 | MHz | |||||
| 1PPS Input | Waveform | HCMOS | 500Ω | ||||
| VOH | 2.7 | 3.3 | 5 | V | |||
| VOL | - | - | 0.4 | V | |||
| Pulse width | 500 | - | - | ns | |||
| 1PPS Output | Waveform | HCMOS | 500Ω | ||||
| VOH | 2.7 | 3.3 | - | V | |||
| VOL | - | - | 0.4 | V | |||
| Pulse width | 0.01 | 100 | 500 | ms | |||
| Accuracy | -30 | - | 30 | ns | 10Min after locked to 1pps. | ||
| Output with Lock Status | Lock | 2.7 | V | Load≤5mA | |||
| Hold | - | - | 0.4 | V | Load≤5mA | ||
| Initial Frequency Tolerance | -100 | - | 100 | PPb | No PPS input,power on 3min | ||
| Disciplined Frequency Tolerance | -0.01 | - | 0.01 | ppb | Average after GPS lock for 120 minutes | ||
| Freq.Stability Vs. Temp. | ±1 | - | ±5 | ppb | -40℃~+85℃ | ||
| Short-term Stability@10MHz@1S | - | - | 1.00E-11 | - | Power on 15min | ||
| Holdover Accuracy | -10 | - | 10 | us | δT=±5*C, after GPS lock for 120 minutes, continuous testing for 24 hours | ||
| Sine wave @10MHz | Output Level | 7 | - | - | dBm | ||
| Harmonics | - | - | -30 | dBc | |||
| Spurious | - | - | -70 | dBc | |||
| Load | - | 50 | - | Ω | |||
| CMOS @10MHz | VOH | 2.4 | - | - | V | HCMOS Output, Load=15pf | |
| VOL | - | 0.4 | V | HCMOS Output Load=15pf | |||
| Duty Cycle | 45 | 一 | 55 | % | (VOH-VOL)/2 | ||
| Rise/Fal Edge | - | - | 6 | ns | |||
| Load | - | 15 | - | pf | HCMOS Output, Load=15pf | ||
| Warm up time | - | - | 3 | Min | Ambient, 5 min relative 1h, acourancy ±100ppb | ||
| Supply Sensitivity | - | - | ±20 | ppb | Vcc+5% | ||
| Load Sensitivity | - | - | +20 | Load+5% | |||
| Aging/ Day | - | - | ±1 | Na PPS input, power on 30 daya@10MHz | |||
| Aging/ First Year | - | - | ±100 | No PPS input, power on 30 days@10MHz | |||
| SSB Phase Noise @10MHz | - | - | -100 | dBc/Hz | Offset 10Hz | At+25℃ | |
| - | - | -130 | Offset 100Hz | ||||
| - | - | -155 | Offset 1kHz | ||||
| - | - | -165 | Offset 10kHz | ||||
| - | - | -165 | Offset 100kHz | ||||
| Control Voltage Range | 0 | 1.65 | 3.3 | V | VCC=5.0Vdc | ||
| Frequency Tuning Range | ±0.5 | - | ±2.0 | ppm | |||
| Tuning Slope | Positive | ||||||
| Phase Noise @1KHz | |||||||
| Frequency Range | <-145dBc | <-150dBc | <-155dBc | <-160dBc | |||
| 10~12.8MHz | O | O | O | O | O=Available X= Not Available | ||
| 20~40MHz | O | O | O | O | |||
| 50~100MHz | O | O | O | X | |||
| >100MHz | O | O | O | X | |||
| Environmental Conditions | |||||||
| Operating Temperature Range | -40℃~+85℃ | ||||||
| Storage Temperature Range | -55℃~+125℃ | ||||||
| Maximum Ratings | |||||||
| Parameter | Symbol | Rating | |||||
| Supply Voltage | Vcc | 5V | |||||
| ESD,HBM/CDM/MM | 4KV/2KV/200V | ||||||
| Reliability | |||||||
| Parameter | Condition | ||||||
| Temperature Stress Test | IEC60068,GJB360B | ||||||
| Mechanical Stress Test | IEC60068,GJB360B | ||||||
| EMC Test (ESD) | IEC61000,JESD22 | ||||||
| Solderability | EIA/JESD22-B102-C | ||||||
| Moisture Sensitivity Level | NA | ||||||
| Contact Pads | Gold over Nickel | ||||||
| RoHS | RoHS Directive 2011/65/EU Annex IlRecasting 2002/95/EC | ||||||


English
français
Deutsch
Español
русский